ማሞቂያ
ማጣሪያ
የአሜሪካ መደበኛ ተሰኪ / EN መደበኛ ተሰኪ
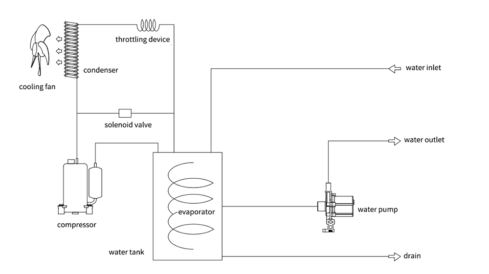
የታመቀ የሪሳይክል ቺለር CWUL-05 ብዙውን ጊዜ ለ UV ሌዘር ምልክት ማድረጊያ ማሽን እስከ 5 ዋት ድረስ ንቁ ማቀዝቀዣ ለማቅረብ ይጫናል ይህም የተረጋጋ የሌዘር ውጤትን ለማረጋገጥ። ይህ ተንቀሳቃሽ የአየር ማቀዝቀዣ ማቀዝቀዣ ከፍተኛ የሙቀት መረጋጋት ±0.3℃ እና እስከ 380 ዋት የማቀዝቀዣ አቅም ይሰጣል። በታመቀ እና ቀላል ክብደት ባለው ጥቅል ውስጥ ስለሆነ፣ CWUL-05 UV ሌዘር ማቀዝቀዣ በዝቅተኛ ጥገና፣ በአጠቃቀም ቀላልነት፣ ኃይል ቆጣቢ አሠራር እና ከፍተኛ አስተማማኝነት እንዲቆይ ተደርጎ የተሰራ ነው። ቀላል ተንቀሳቃሽነትን ለማረጋገጥ ሁለት ጠንካራ እጀታዎች በላዩ ላይ ተጭነዋል፣ የቺለር ስርዓቱ ደግሞ ለሙሉ ጥበቃ በተቀናጁ ማንቂያዎች ክትትል ይደረግበታል።
ሞዴል፡ CWUL-05
የማሽን መጠን፡ 58 × 29 × 52 ሴ.ሜ (ሊ × ወ × ሰ)
ዋስትና፡ 2 ዓመት
መደበኛ፡ CE፣ REACH እና RoHS
| ሞዴል | CWUL-05AH | CWUL-05BH | CWUL-05DH |
| ቮልቴጅ | AC 1P 220-240V | AC 1P 220~240V | AC 1P 110V |
| ድግግሞሽ | 50Hz | 60Hz | 60Hz |
| የአሁኑ | 0.5~3.1A | 0.5~4A | 0.5~7.4A |
ከፍተኛ የኃይል ፍጆታ | 0.76 ኪ.ወ | 0.74 ኪ.ወ | 0.8 ኪ.ወ |
| የመጭመቂያ ኃይል | 0.18 ኪ.ወ | 0.17 ኪ.ወ | 0.21 ኪ.ወ |
| 0.24HP | 0.22HP | 0.28HP | |
| መደበኛ የማቀዝቀዣ አቅም | 1296Btu/ሰዓት | ||
| 0.38 ኪ.ወ | |||
| 326 ኪካል/ሰ | |||
| ማቀዝቀዣ | R-134a/R-32/R-513A/R-1234yf | R-134a/R-513A/R-1234yf | |
| ትክክለኛነት | ±0.3℃ | ||
| መቀነሻ | ካፒላሪ | ||
| የፓምፕ ኃይል | 0.05 ኪ.ወ | ||
| የታንክ አቅም | 8L | ||
| መግቢያ እና መውጫ | Rp1/2” | ||
ከፍተኛ የፓምፕ ግፊት | 1.2 ባር | ||
| ደረጃ የተሰጠው ፍሰት | 8 ሊትር/ደቂቃ | ||
| N.W. | 19 ኪ.ግ. | 18 ኪ.ግ. | |
| G.W. | 21 ኪ.ግ. | 20 ኪ.ግ. | |
| ልኬት | 58 × 29 × 52 ሴሜ (L × W × H) | ||
| የጥቅል ልኬት | 65 × 36 × 56 ሴሜ (L × W × H) | ||
የስራ ጅረት በተለያዩ የስራ ሁኔታዎች ሊለያይ ይችላል። ከላይ የተጠቀሰው መረጃ ለማጣቀሻ ብቻ ነው። እባክዎን በትክክለኛው የሚቀርበው ምርት ላይ የተመሰረተ ነው።
* የማቀዝቀዝ አቅም: 380 ዋ
* ንቁ ማቀዝቀዣ
* የሙቀት መረጋጋት፡ ±0.3°ሴ
* የሙቀት መቆጣጠሪያ ክልል፡ 5°ሴ ~ 35°ሴ
* ማቀዝቀዣ፡ R-134a/R-32/R-1234yf/R-513A
* ውሱን እና ቀላል ክብደት ያለው ጥቅል
* ቀላል የውሃ መሙያ ወደብ
* የእይታ የውሃ ደረጃ
* የተዋሃዱ የማንቂያ ተግባራት
* ቀላል ጥገና እና ተንቀሳቃሽነት
ማሞቂያ
ማጣሪያ
የአሜሪካ መደበኛ ተሰኪ / EN መደበኛ ተሰኪ
ብልህ የሙቀት መቆጣጠሪያ
የሙቀት መቆጣጠሪያው ከፍተኛ ትክክለኛነት ያለው የሙቀት መቆጣጠሪያ ±0.3°ሴ እና ሁለት በተጠቃሚ የሚስተካከሉ የሙቀት መቆጣጠሪያ ሁነታዎችን ያቀርባል - የማያቋርጥ የሙቀት ሁነታ እና ብልህ የቁጥጥር ሁነታ።
ለማንበብ ቀላል የሆነ የውሃ ደረጃ አመልካች
የውሃ ደረጃ አመልካች 3 የቀለም ቦታዎች አሉት - ቢጫ፣ አረንጓዴ እና ቀይ።
ቢጫ ቦታ - ከፍተኛ የውሃ መጠን።
አረንጓዴ ቦታ - መደበኛ የውሃ መጠን።
ቀይ ቦታ - ዝቅተኛ የውሃ መጠን።
የተዋሃዱ የላይኛው የተገጠሙ እጀታዎች
ጠንካራ እጀታዎች በቀላሉ ለመንቀሳቀስ ከላይ ተጭነዋል።


በሚያስፈልግህ ጊዜ እዚህ እንገኛለን።
እኛን ለማግኘት እባክዎን ቅጹን ይሙሉ፣ እኛም በደስታ እንረዳዎታለን።




