Жылыткыч
Суу чыпкасы
АКШ стандартындагы сайгыч / EN стандарттык сайгыч
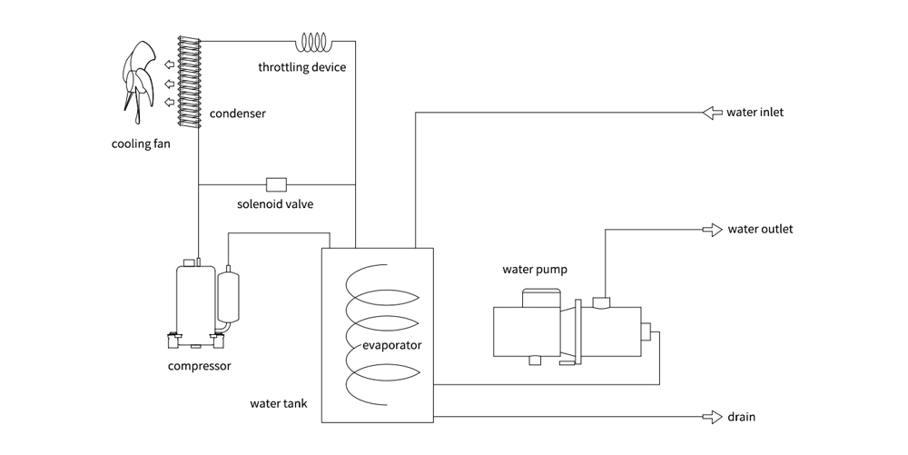
1500 Вт була лазерлерин колдонгон SLS жана SLM 3D принтерлери үчүн ишенимдүү муздатуу системасы маанилүү, мында туруктуу температураны көзөмөлдөө басып чыгаруунун сапатына түздөн-түз таасир этет. TEYU CWFL-1500 суу муздаткычы жылуулукту натыйжалуу таркатууну жана так кош схемалуу муздатууну камсыз кылып, ысып кетүүнүн алдын алат жана металл 3D басып чыгарууда ырааттуу, жогорку тактыктагы натыйжаларды камсыз кылат.
TEYU компаниясынын 23 жылдык тажрыйбасынын негизинде түзүлгөн CWFL-1500 интуитивдик санариптик башкаруу панелине, бир нече коопсуздук сигнализацияларына жана экологиялык жактан таза муздаткыч менен энергияны үнөмдөөчү иштөөгө ээ. Анын компакттуу, бекем түзүлүшү үзгүлтүксүз суткасына 24 саат, жумасына 7 күн колдонууну колдойт, ал эми эки жылдык кепилдик кошумча жан дүйнө тынчтыгын берет. Прототиптөө же өндүрүш үчүн болсун, CWFL-1500 - бул 1500 Вт кубаттуулуктагы металл 3D принтерлер үчүн ылайыкташтырылган ишенимдүү, жогорку өндүрүмдүүлүктөгү муздатуу чечими.
Модели: CWFL-1500
Машинанын өлчөмү: 70X47X89cm (LXWXH)
Кепилдик: 2 жыл
Стандарт: CE, REACH жана RoHS
| Модел | CWFL-1500ANPTY | CWFL-1500BNPTY |
| Voltage | AC 1P 220-240V | AC 1P 220-240V |
| Жыштык | 50Hz | 60Hz |
| Учурдагы | 3.4~16.6A | 3.9~17.8A |
Макс. энергия керектөө | 3,37 кВт | 3,82 кВт |
| Жылыткыч күчү | 0,55кВт+0,6кВт | |
| Тактык | ±0,5℃ | |
| Редуктор | Капилляр | |
| Насостун күчү | 0,55 кВт | 0,75 кВт |
| Танк сыйымдуулугу | 14L | |
| Кирүүчү жана чыгуучу | Rp1/2"+Rp1/2" | |
| Макс. насостун басымы | 4,4 бар | 5,3 бар |
| Номиналдуу агым | 2л/мин + >15л/мин | |
| N.W. | 67 кг | 62 кг |
| G.W. | 79 кг | 74 кг |
| Өлчөм | 70 X 47 X 89cm (LXWXH) | |
| Пакет өлчөмү | 73 X 57 X 105cm (LX WXH) | |
Жумушчу ток ар кандай эмгек шарттарында ар кандай болушу мүмкүн. Жогорудагы маалымат шилтеме үчүн гана. Сураныч, иш жүзүндө жеткирилген продуктка жараша болот.
* Температураны так көзөмөлдөө: ырааттуу басып чыгаруу сапатын жана жабдыктын туруктуулугун камсыз кылып, ашыкча ысып кетүүнүн алдын алуу үчүн туруктуу жана так муздатууну камсыздайт.
* Натыйжалуу муздатуу системасы: Жогорку өндүрүмдүүлүктөгү компрессорлор жана жылуулук алмаштыргычтар узак басып чыгаруу жумуштарында же жогорку температурадагы колдонмолордо да жылуулукту эффективдүү таратат.
* Реалдуу убакыттагы мониторинг жана ойготкучтар: реалдуу убакыт режиминде мониторинг жүргүзүү жана системанын ката сигналдары үчүн интуитивдик дисплей менен жабдылган, үзгүлтүксүз иштешин камсыз кылат.
* Энергияны үнөмдөөчү: муздатуу натыйжалуулугун жоготпостон электр энергиясын керектөөнү азайтуу үчүн энергияны үнөмдөөчү компоненттер менен иштелип чыккан.
* Ыкчам жана иштетүү оңой: мейкиндикти үнөмдөөчү дизайн оңой орнотууга мүмкүндүк берет жана колдонуучуга ыңгайлуу башкаруу жөнөкөй иштөөнү камсыз кылат.
* Эл аралык сертификаттар: ар түрдүү рыноктордо сапатты жана коопсуздукту камсыз кылуу, бир нече эл аралык стандарттарга жооп берүү үчүн тастыкталган.
* Узак жана ишенимдүү: бекем материалдар жана коопсуздук коргоо каражаттары, анын ичинде ашыкча ток жана ашыкча температура сигнализациясы менен үзгүлтүксүз колдонуу үчүн курулган.
* 2 жылдык кепилдик: жан дүйнө тынчтыгын жана узак мөөнөттүү ишенимдүүлүктү камсыз кылуучу комплекстүү 2 жылдык кепилдик менен камсыздалган.
* Кеңири шайкештик: ар кандай 3D принтерлер үчүн, анын ичинде SLA, DLP жана UV LED негизиндеги принтерлер үчүн ылайыктуу.
Жылыткыч
Суу чыпкасы
АКШ стандартындагы сайгыч / EN стандарттык сайгыч
Интеллектуалдык температура контроллери
Температура контроллери ±0,5°C жогорку тактыктагы температураны көзөмөлдөөнү жана колдонуучу тарабынан жөнгө салынуучу температураны башкаруунун эки режимин - туруктуу температура режимин жана акылдуу башкаруу режимин сунуштайт.
Окууга оңой болгон суунун деңгээлинин көрсөткүчү
Суунун деңгээлинин көрсөткүчү 3 түстүү аймакка ээ - сары, жашыл жана кызыл.
Сары аймак - суунун деңгээли жогору.
Жашыл аймак - суунун нормалдуу деңгээли.
Кызыл аймак - суунун деңгээли төмөн.
Жөнөкөй кыймыл үчүн дөңгөлөктөр
Төрт дөңгөлөк жеңил мобилдүүлүктү жана теңдешсиз ийкемдүүлүктү сунуш кылат.


Биз сизге керек болгондо сиз үчүн бул жердебиз.
Биз менен байланышуу үчүн форманы толтуруңуз, биз сизге жардам берүүгө кубанычтабыз.




