Chotenthetsera
Sefa yamadzi
Pulagi wamba waku US / EN pulagi yokhazikika
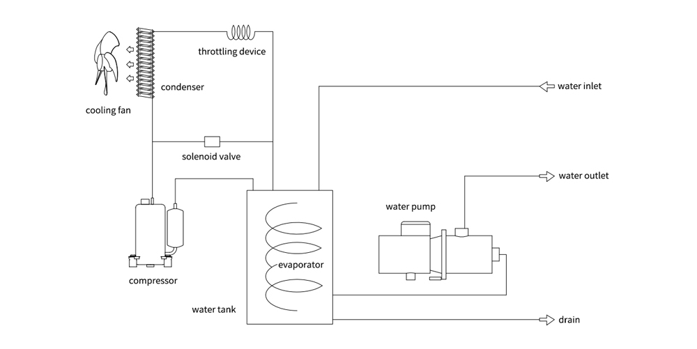
Dongosolo lodalirika loziziritsira ndi lofunika kwambiri pa ma printer a SLS ndi SLM 3D pogwiritsa ntchito ma laser a ulusi wa 1500W, pomwe kuwongolera kutentha kokhazikika kumakhudza mwachindunji ubwino wa kusindikiza. Choziziritsira madzi cha TEYU CWFL-1500 chimapereka kutentha koyenera komanso kuziziritsa kolondola kwa ma dual-circuit kuti chisatenthe kwambiri ndikuwonetsetsa kuti zotsatira zake zimakhala zolondola komanso zolondola kwambiri pakusindikiza kwachitsulo kwa 3D.
Mothandizidwa ndi ukatswiri wa TEYU wa zaka 23, CWFL-1500 ili ndi gulu lowongolera la digito losavuta kugwiritsa ntchito, ma alamu ambiri oteteza, komanso kugwiritsa ntchito mphamvu moyenera komanso firiji yosawononga chilengedwe. Kapangidwe kake kakang'ono komanso kolimba kamathandizira kugwiritsidwa ntchito kosalekeza maola 24 pa tsiku, pomwe chitsimikizo cha zaka ziwiri chimapereka mtendere wamumtima wowonjezera. Kaya ndi yopangira zitsanzo kapena yopanga, CWFL-1500 ndi njira yodalirika komanso yoziziritsira yopangidwira osindikiza a 3D achitsulo a 1500W.
Chitsanzo: CWFL-1500
Kukula kwa Makina: 70X47X89cm (LXWXH)
Chitsimikizo: 2 years
Standard: CE, REACH ndi RoHS
| Chitsanzo | CWFL-1500ANPTY | CWFL-1500BNPTY |
| Voteji | AC 1P 220-240V | AC 1P 220-240V |
| pafupipafupi | 50Hz pa | 60Hz pa |
| Panopa | 3.4~16.6A | 3.9~17.8A |
Max. kugwiritsa ntchito mphamvu | 3.37kW | 3.82kW |
| Mphamvu ya heater | 0.55kW + 0.6kW | |
| Kulondola | ± 0.5 ℃ | |
| Wochepetsera | Capillary | |
| Mphamvu ya pompo | 0.55kW | 0.75 kW |
| Kuchuluka kwa thanki | 14L | |
| Kulowetsa ndi kutuluka | Rp1/2"+Rp1/2" | |
| Max. pampu kuthamanga | 4.4 gawo | 5.3 gawo |
| Mayendedwe ovoteledwa | 2L/mphindi +>15L/mphindi | |
| N.W. | 67kg pa | 62Kg ku |
| G.W. | 79kg pa | 74kg pa |
| Dimension | 70 X 47 X 89cm (LXWXH) | |
| Kukula kwa phukusi | 73 X 57 X 105cm (LX WXH) | |
Zomwe zimagwiritsidwa ntchito zimatha kukhala zosiyana pazikhalidwe zosiyanasiyana zogwirira ntchito. Zomwe zili pamwambazi ndizongogwiritsa ntchito. Chonde malinga ndi zomwe zaperekedwa.
* Kuwongolera Kutentha Kwambiri: Imasunga kuziziritsa kokhazikika komanso kolondola kuti zisatenthedwe, kuwonetsetsa kuti zosindikiza sizisintha komanso kukhazikika kwa zida.
* Dongosolo Lozizira Loyenera: Ma compressor ochita bwino kwambiri komanso osinthira kutentha amachotsa bwino kutentha, ngakhale pakasindikiza ntchito yayitali kapena kugwiritsa ntchito kutentha kwambiri.
* Kuyang'anira Nthawi Yeniyeni & Ma Alamu: Okhala ndi chowonetsera mwachilengedwe chowunikira nthawi yeniyeni ndi ma alarm a system, kuwonetsetsa kuti zikuyenda bwino.
* Mphamvu Zogwiritsa Ntchito Mphamvu: Zopangidwa ndi zida zopulumutsa mphamvu kuti zichepetse kugwiritsa ntchito mphamvu popanda kusiya kuzizira bwino.
* Compact & Easy Kugwira Ntchito: Mapangidwe opulumutsa malo amalola kuyika kosavuta, ndipo zowongolera zosavuta kugwiritsa ntchito zimatsimikizira kugwira ntchito kosavuta.
* Zitsimikizo Zapadziko Lonse: Zotsimikizika kuti zikwaniritse miyezo ingapo yapadziko lonse lapansi, kuwonetsetsa kuti zabwino ndi chitetezo m'misika yosiyanasiyana.
* Yokhazikika & Yodalirika: Yomangidwa kuti igwiritsidwe ntchito mosalekeza, yokhala ndi zida zolimba komanso chitetezo chachitetezo, kuphatikiza ma alarm opitilira muyeso komanso kutentha kwambiri.
* Chitsimikizo Chazaka 2: Chothandizidwa ndi chitsimikizo chazaka 2, kuwonetsetsa mtendere wamalingaliro ndi kudalirika kwanthawi yayitali.
* Kugwirizana Kwakukulu: Oyenera osindikiza osiyanasiyana a 3D, kuphatikiza SLA, DLP, ndi osindikiza a UV LED.
Chotenthetsera
Sefa yamadzi
Pulagi wamba waku US / EN pulagi yokhazikika
Wowongolera kutentha wanzeru
Wowongolera kutentha amapereka kutentha kwapamwamba kwambiri kwa ± 0.5 ° C ndi njira ziwiri zowongolera kutentha kwa ogwiritsa ntchito - kutentha kwanthawi zonse ndi njira yolamulira mwanzeru.
Chizindikiro chosavuta kuwerenga pamlingo wamadzi
Chizindikiro chamadzi chili ndi madera amtundu wa 3 - wachikasu, wobiriwira komanso wofiira.
Yellow dera - mkulu mlingo wa madzi.
Malo obiriwira - mulingo wamadzi wabwinobwino.
Malo ofiira - madzi otsika.
Mawilo a Caster kuti aziyenda mosavuta
Mawilo anayi a caster amapereka kuyenda kosavuta komanso kusinthasintha kosayerekezeka.


Tili pano kuti tikuthandizeni mukafuna thandizo.
Chonde lembani fomuyi kuti mulumikizane nafe, ndipo tidzakhala okondwa kukuthandizani.




