加热器
筛选
美标插头/欧标插头
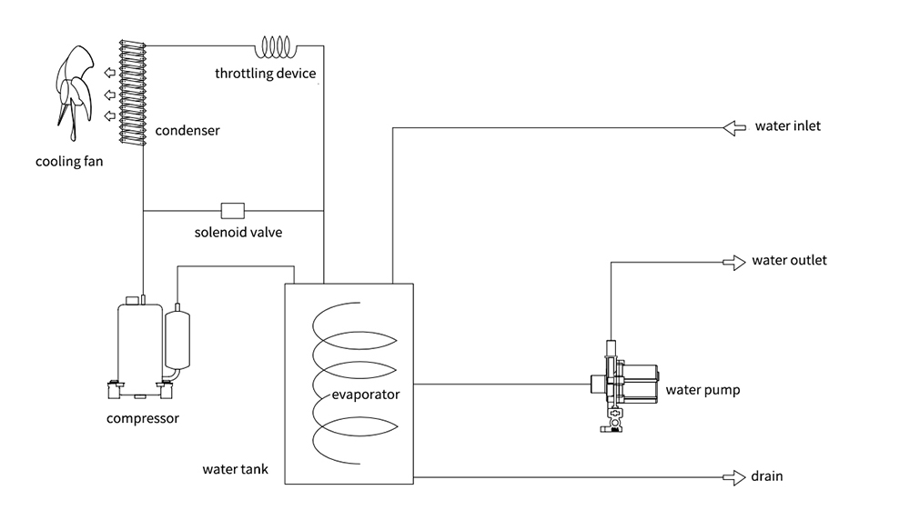
风冷式工艺冷水机CW-5300 可为 200W 直流 CO2 激光源或 75W 射频 CO2 激光源提供高度可靠且高效的冷却。得益于用户友好的温控器,水温可自动调节。CW 5300 冷水机拥有 2400W 的制冷能力和 ±0.5℃ 的温度稳定性,有助于最大程度地延长 CO2 激光源的使用寿命。该冷冻水冷水机采用环保的 R-410A 制冷剂。冷水机背面安装了一个易于读取的水位指示器。4 个脚轮方便用户轻松移动冷水机。
型号:CW-5300
机器尺寸:58 X 39 X 75cm(长X宽X高)
保修期:2年
标准:CE、REACH 和 RoHS
| 模型 | CW-5300AH | CW-5300BH | CW-5300DH | CW-5300AI | CW-5300BI | CW-5300DI | CW-5300AN | CW-5300BN | CW-5300DN |
| 电压 | AC 1P 220-240V | AC 1P 220-240V | AC 1P 110V | AC 1P 220-240V | AC 1P 220-240V | AC 1P 110V | AC 1P 220-240V | AC 1P 220-240V | AC 1P 110V |
| 频率 | 50赫兹 | 60赫兹 | 60赫兹 | 50赫兹 | 60赫兹 | 60赫兹 | 50赫兹 | 60赫兹 | 60赫兹 |
| 当前的 | 0.5~5.2A | 0.5~4.9A | 0.5~8.9A | 0.4~5.1A | 0.4~4.8A | 0.4~8.8A | 2.3~7A | 2.1~6.5A | 6~14.4A |
最大功耗 | 1.08千瓦 | 1.04千瓦 | 0.96千瓦 | 1.12千瓦 | 1.03千瓦 | 1.0千瓦 | 1.4千瓦 | 1.36千瓦 | 1.51千瓦 |
| 0.94千瓦 | 0.88千瓦 | 0.79千瓦 | 0.94千瓦 | 0.88千瓦 | 0.79千瓦 | 0.88千瓦 | 0.88千瓦 | 0.79千瓦 |
| 1.26HP | 1.18HP | 1.06HP | 1.26HP | 1.18HP | 1.06HP | 1.18HP | 1.18HP | 1.06HP | |
| 8188英热单位/小时 | ||||||||
| 2.4千瓦 | |||||||||
| 2063千卡/小时 | |||||||||
| 泵功率 | 0.05千瓦 | 0.09千瓦 | 0.37千瓦 | 0.6千瓦 | |||||
最大泵压力 | 1.2巴 | 2.5巴 | 2.7 巴 | 4 巴 | |||||
最大泵流量 | 13升/分钟 | 15升/分钟 | 75升/分钟 | ||||||
| 制冷剂 | R-410A | R-410A/R-32 | R-410A | R-410A/R-32 | |||||
| 精确 | ±0.5℃ | ||||||||
| 减速器 | 毛细管 | ||||||||
| 水箱容量 | 12L | ||||||||
| 入口和出口 | Rp1/2" | ||||||||
| N.W. | 34公斤 | 37公斤 | 35公斤 | 34公斤 | 39公斤 | 35公斤 | 41公斤 | 44公斤 | 43公斤 |
| G.W. | 43公斤 | 46公斤 | 44公斤 | 43公斤 | 48公斤 | 44公斤 | 50公斤 | 53公斤 | 52公斤 |
| 方面 | 58X 39 X 75厘米(长X宽X高) | ||||||||
| 包装尺寸 | 66 X 48 X 92厘米(长X宽X高) | ||||||||
不同工况下工作电流可能不同,以上信息仅供参考,请以实际发货为准。
* 制冷量:2400W
* 主动冷却
* 温度稳定性:±0.5°C
* 温控范围:5°C~35°C
* 制冷剂:R-410A/R-32
* 智能温度控制器
* 集成报警功能
* 背面安装注水口和易于读取的水位指示器
* 维护成本低、可靠性高
* 简单的设置和操作
加热器
筛选
美标插头/欧标插头
智能温控器
温度控制器提供±0.5°C的高精度温度控制和两种用户可调的温度控制模式——恒温模式和智能控制模式。
易于读取的水位指示器
水位指示器有3个颜色区域——黄色、绿色和红色。
黄色区域——高水位。
绿色区域-正常水位。
红色区域——低水位。
脚轮,方便移动
四个脚轮提供轻松的移动性和无与伦比的灵活性。


当您需要我们时,我们会随时为您服务。
请填写表格与我们联系,我们将很乐意为您提供帮助。




