Heizung
Filter
US-Standardstecker / EN-Standardstecker
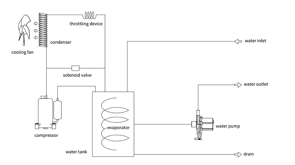
Die Spindeleinheit Kühler CW-5300 eignet sich optimal für 18-kW-CNC-Frässpindeln, die ein optimales Wärmemanagement benötigen. Diese luftgekühlte Wassereinheit Kühler nutzt eine Hochleistungswasserpumpe, um Wasser zwischen Kühler und Spindel zirkulieren zu lassen. Die in 220 V oder 110 V erhältliche Umwälzeinheit Kühler CW-5300 kühlt Stator und Lageraußenring der Spindel effektiv und sorgt gleichzeitig für einen niedrigen Geräuschpegel. Die Demontage des seitlichen Staubfilters für die regelmäßige Reinigung ist dank des Verriegelungssystems einfach.
Modell: CW-5300
Maschinengröße: 58 x 39 x 75 cm (L x B x H)
Garantie: 2 Jahre
Standard: CE, REACH und RoHS
| Modell | CW-5300AH | CW-5300BH | CW-5300DH | CW-5300AI | CW-5300BI | CW-5300DI | CW-5300AN | CW-5300BN | CW-5300DN | 
| Stromspannung | AC 1P 220-240V | AC 1P 220-240V | AC 1P 110V | AC 1P 220-240V | AC 1P 220-240V | AC 1P 110V | AC 1P 220-240V | AC 1P 220-240V | AC 1P 110V | 
| Frequenz | 50 Hz | 60 Hz | 60 Hz | 50 Hz | 60 Hz | 60 Hz | 50 Hz | 60 Hz | 60 Hz | 
| Aktuell | 0.5~5.2A | 0.5~4.9A | 0.5~8.9A | 0.4~5.1A | 0.4~4.8A | 0.4~8.8A | 2.3~7A | 2.1~6.5A | 6~14.4A | 
| Max. Stromverbrauch | 1,08 kW | 1,04 kW | 0,96 kW | 1,12 kW | 1,03 kW | 1,0 kW | 1,4 kW | 1,36 kW | 1,51 kW | 
| Kompressorleistung | 0,94 kW | 0,88 kW | 0,79 kW | 0,94 kW | 0,88 kW | 0,79 kW | 0,88 kW | 0,88 kW | 0,79 kW | 
| 1.26HP | 1.18HP | 1.06HP | 1.26HP | 1.18HP | 1.06HP | 1.18HP | 1.18HP | 1.06HP | |
| Nennkühlleistung | 8188 Btu/h | ||||||||
| 2,4 kW | |||||||||
| 2063 Kcal/h | |||||||||
| Pumpenleistung | 0,05 kW | 0,09 kW | 0,37 kW | 0,6 kW | |||||
| Max. Pumpendruck | 1,2 bar | 2,5 bar | 2,7 bar | 4 bar | |||||
| Max. Pumpenförderstrom | 13 l/min | 15 l/min | 75 l/min | ||||||
| Kältemittel | R-410A | R-410A/R-32 | R-410A | R-410A/R-32 | |||||
| Präzision | ±0,5 °C | ||||||||
| Reduzierstück | Kapillar | ||||||||
| Tankinhalt | 12L | ||||||||
| Ein- und Auslass | Rp1/2" | ||||||||
| N.W. | 34 kg | 37 kg | 35 kg | 34 kg | 39 kg | 35 kg | 41 kg | 44 kg | 43 kg | 
| G.W. | 43 kg | 46 kg | 44 kg | 43 kg | 48 kg | 44 kg | 50 kg | 53 kg | 52 kg | 
| Dimension | 58 X 39 X 75 cm (L x B x H) | ||||||||
| Paketabmessungen | 66 X 48 X 92 cm (L x B x H) | ||||||||
Der Betriebsstrom kann je nach Betriebsbedingungen unterschiedlich sein. Die obigen Informationen dienen nur als Referenz. Bitte beachten Sie das tatsächlich gelieferte Produkt.
* Kühlleistung: 2400W
* Aktive Kühlung
* Temperaturstabilität: ±0,5°C
* Temperaturregelbereich: 5 °C ~ 35 °C
* Kältemittel: R-410A/R-32
* Intelligenter Temperaturregler
* Integrierte Alarmfunktionen
* Auf der Rückseite angebrachter Wassereinfüllstutzen und leicht ablesbare Wasserstandsanzeige
* Geringer Wartungsaufwand und hohe Zuverlässigkeit
* Einfache Einrichtung und Bedienung
Heizung
Filter
US-Standardstecker / EN-Standardstecker
Intelligenter Temperaturregler
Der Temperaturregler bietet eine hochpräzise Temperaturregelung von ±0,5 °C und zwei vom Benutzer einstellbare Temperaturregelungsmodi – Konstanttemperaturmodus und intelligenter Regelungsmodus.
Gut ablesbare Wasserstandsanzeige
Die Wasserstandsanzeige hat 3 Farbbereiche – gelb, grün und rot.
Gelber Bereich – hoher Wasserstand.
Grüner Bereich – normaler Wasserstand.
Roter Bereich – niedriger Wasserstand.
Lenkrollen für einfache Mobilität
Vier Lenkrollen sorgen für einfache Mobilität und unübertroffene Flexibilität.


Wir sind für Sie da, wenn Sie uns brauchen.
Bitte füllen Sie das Formular aus, um mit uns Kontakt aufzunehmen. Wir helfen Ihnen gerne weiter.




